Zbiornik buforowy Thermo ZBw-750 wersja I służy do przechowywania nadmiaru ciepłej wody grzewczej lub innych płynów używanych w systemie grzewczym.
Wykonanie
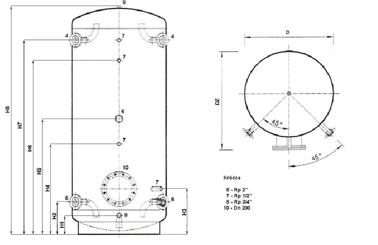
Zbiornik ma konstrukcję pionową, cylindryczną, z dwoma elipsoidalnymi dennicami na obu końcach. Jest wyposażony w różne króćce przyłączeniowe i otwory, które umożliwiają podłączenie go do systemu grzewczego oraz instalacji pomiarowych, takich jak termometry i czujniki. Zbiornik jest wykonany ze stali węglowej, co zapewnia jego trwałość, a na zewnątrz jest zabezpieczony antykorozyjnie, co zapobiega jego degradacji.
Zastosowanie
Zbiornik jest wykorzystywany do magazynowania nadmiaru ciepła wyprodukowanego przez źródło ciepła, takie jak kocioł centralnego ogrzewania lub kolektory słoneczne, gdy jest ono dostępne w większych ilościach niż jest potrzebne w danym momencie. Urządzenie wyrównuje obciążenia poprzez przechowywanie nadmiaru ciepła i jego równomierne dostarczanie w okresach, gdy produkcja ciepła jest niższa niż zapotrzebowanie, co pomaga zminimalizować wahania temperatury i zapewnia stabilne funkcjonowanie systemu grzewczego. Zastosowanie zbiornika buforowego pozwala zmniejszyć częstotliwość cykli włączania i wyłączania urządzeń grzewczych, co minimalizuje zużycie energii oraz wydłuża żywotność systemu.
Specyfikacja
- pojemność 750 l
- masa 175 kg
- wysokość 1215 mm
- średnica 800 mm
Dostępna wersja na nóżkach bez otworu rewizyjnego https://sklep.wkm.org.pl/product/thermo-zbiornik-buforowy-zbw-750-wersja-i.html?query_id=5 oraz zbiorniki innej wielkości.







