Filtroodmulnik magnetyczny THERMO FOM-400 / 6bar stal nierdzewna to filtroodmulnik wyposażony we wkład magnetyczny. Produkt posiada atest higieniczny PZH.
Specyfikacja
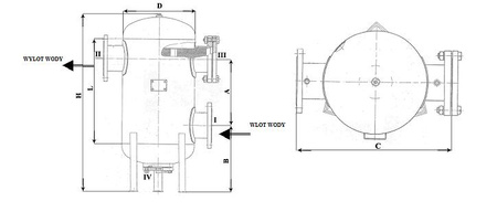
Thermo FOM-400 ma formę zbiornika cylindrycznego posadowionego na nogach. Wkład filtracyjny wykonany jest z siatki ze stali kwasoodpornej, a jego czyszczenie lub wymiana odbywa się przez odkręcenie pokrywy. Wlot i wylot zbiornika wyposażono w króćce M12x1,5 do podłączenia manometrów kontrolnych. Urządzenie zbudowane jest z kwasoodpornej stali austenitycznej co zapewnia trwałość zwłaszcza w środowiskach, gdzie występuje duże ryzyko korozji. Filtroodmulnik jest wyposażony we wkład magnetyczny, który wychwytuje zanieczyszczenia ferrytyczne. Jest to szczególnie przydatne, jeżeli w filtrowanej wodzie występuje wiele drobinek metalu. Zastosowanie wkładu magnetycznego chroni elementy instalacji przed uszkodzeniami i awariami.
- maks. dopuszczalne ciśnienie 6 bar
- maks. dopuszczalna temperatura 150℃
- pojemność: 1500 l
- wysokość: 2450 mm
Zastosowanie
Filtroodmulniki zapewniają ochronę wymienników ciepła oraz innych elementów instalacji cieplnych przed zanieczyszczeniami, co przyczynia się do poprawy wydajności i efektywności systemu ciepłowniczego. Urządzenie może współpracować z lokalnymi układami wodociągowymi, szczególnie z odżelaziaczami (np. piaskowe filtry pospieszne), aby dodatkowo oczyścić wodę przed jej użytkowaniem.
Zalecamy dobór wielkości urządzenia tak aby spadek ciśnienia na czystym filtroodmulniku nie przekraczał 1 - 3 kPa, a prędkości przepływu w osadniku nie przekraczała 0,1 - 0,2 m/s. Mamy w ofercie inne filtroodmulniki https://sklep.wkm.org.pl/pl/menu/filtroodmulniki-i-izolacje-165.html?counter=0
Jeżeli potrzebujesz pomocy w doborze filtroodmulnika skontaktuj się z nami - wkm@wkm.sklep.pl 32 700 91 10











